Free Ground Shipping to Continental US on
Piranha Propellers,
Propulsion & Performance Kits!
Keep Your Crusader Engine Running Strong with Genuine or OEM-Grade Parts from...
$0.00 USD
Minimum Order of $20 Required for Checkout
Centek Industries
This Product Does Not Ship Free.
Buy Now Only: 3 Left!
Couldn't load pickup availability
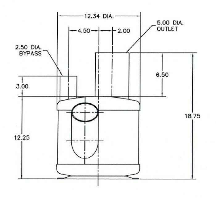
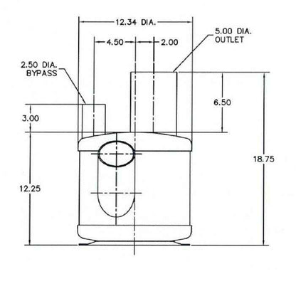
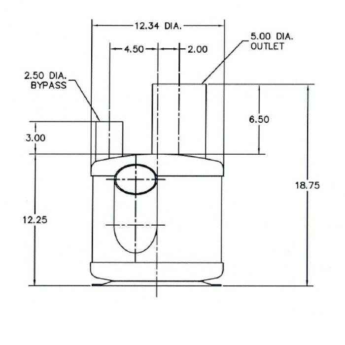
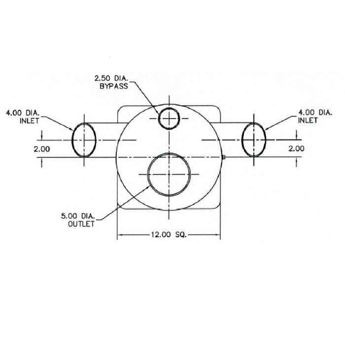
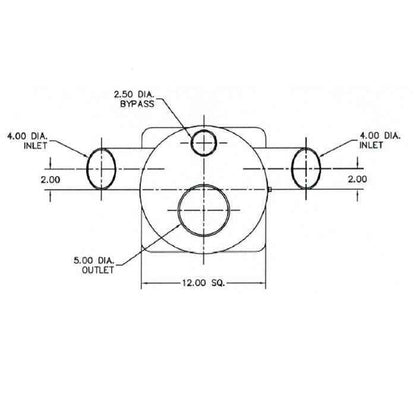
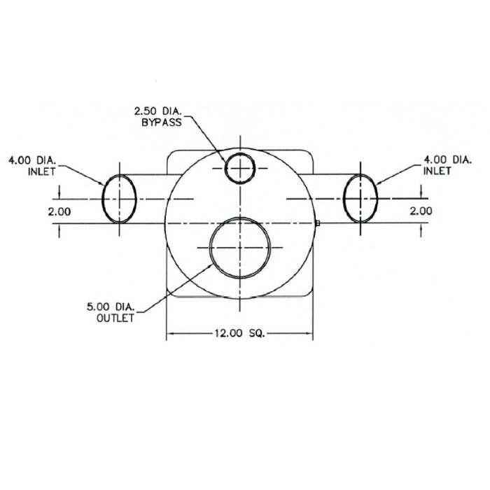
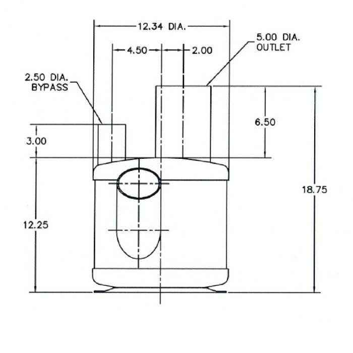
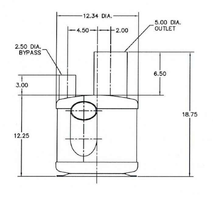
Custom made fiberglass wet exhaust muffler for Sea Ray boats.
For over six decades, Centek Marine has stood as a beacon of innovation and quality in the marine industry, evolving from humble beginnings to become the global leader in fiberglass exhaust and ventilation systems. Founded in 1962 in Boca Raton, Florida, as Vernay Products, the company's initial focus on fiberglass marine mufflers laid the groundwork for a legacy of excellence.
The introduction of the Vernatone muffler quickly solidified Vernay's reputation, establishing a benchmark for performance and reliability that continues to resonate with boat builders today. This pivotal product propelled Vernay into supplying exhaust solutions to prestigious Original Equipment Manufacturers (OEMs) and a vast network of distributors, serving the refit and marine aftermarket.
In 1967, Vernay expanded its product line with the introduction of Vernatube "wet" exhaust tubing, a crucial addition that complemented their existing muffler offerings. The mid-1970s marked a significant technological advancement with the adoption of filament winding for Vernatube production, a method that remains integral to their manufacturing process, ensuring consistent quality and durability. This commitment to innovation and product excellence garnered worldwide recognition.
The Vernalift muffler, launched in 1975, catered to the growing demand for efficient exhaust solutions for generators and small auxiliary sailboat engines, further expanding Centek's product portfolio. The subsequent decades witnessed substantial growth, both domestically and internationally, necessitating a larger facility. In the late 1980s, all operations were consolidated into a new 60,000 square foot plant in Thomasville, Georgia. In 1994, Vernay Products officially rebranded as Centek Industries, Inc., marking a new era of expansion and leadership.
Under the strategic guidance of CEO Bill Hodges, Centek has continued to evolve, adapting to the ever-changing needs of the marine industry. Recognizing the importance of comprehensive marine solutions, Centek strategically expanded its offerings to include marine ventilation products through the acquisition of Delta-T Systems. This move solidified Centek’s position as a holistic provider of critical marine systems. Further expanding its capabilities, Centek acquired Viking Marine Exhaust in 2023, adding metal riser fabrication to its portfolio, enhancing its ability to provide custom solutions.
Today, Centek Marine stands as the undisputed global leader in custom marine exhaust and ventilation systems. From boat builders and refitters to naval architects, Centek's products are trusted and relied upon worldwide. Their commitment to innovation, quality, and customer satisfaction ensures that Centek remains at the forefront of the marine industry, providing cutting-edge solutions for the most demanding applications. Whether it's fiberglass marine mufflers, wet exhaust tubing, generator exhaust systems, or comprehensive marine ventilation, Centek Marine delivers excellence.
!! Not Eligible For Free Shipping !!

Would have been 5 stars but, I did not receive a promotional sticker with my $2000 drive unit. Just kidding, everything was great!
Great company to work with!
Ordered a Piranha Propellers Complete A-Series 4 Blade Propeller from Macomb Marine Parts and even though we’re international, it arrived in just over a week — fast and reliable service. The propeller itself is a real lifesaver. We had the same model before, and after hitting a rock that damaged two blades, we were able to swap them right on the water and make it back to the marina without issue — something you simply can’t do with a regular aluminum prop. For peace of mind we decided to buy a complete new set (hub and blades) since an impact like that could cause hidden damage, but the system really proved its worth.
3 in. Exhaust Elbow | Pleasurecraft R029001
Excellent part.
I couldn’t find a Piranha propeller dealer near me in Canada but found Macomb Marine Parts who could deliver to me. The order process was smooth and I was even contacted via email for clarification regarding blade shape and they were very helpful in choosing the best shape for my purposes.
I can’t comment on the prop’s performance yet as we haven’t had the boat in the water yet.
Perfect replacement. thank you
Perfect replacement
Perfect match to the original Chris Craft blue. Competitive price and delivery was quick
Great Product, easy to install, work well
Obtaining magnesium anodes to install on the OMC Cobra (SX-C) sterndrive, for fresh water use. Received the anode within a week of ordering the part, which is not going to be installed until Spring.
Black Liquid Electrical Tape - 4 oz. | Star Brite 084104B
As described
Very Happy!! Just what I needed!!
Outdrive spent 4 months docked in salt water with no visible rust on the stainless steel braided hoses
Would have been 5 stars but, I did not receive a promotional sticker with my $2000 drive unit. Just kidding, everything was great!
Great company to work with!
Ordered a Piranha Propellers Complete A-Series 4 Blade Propeller from Macomb Marine Parts and even though we’re international, it arrived in just over a week — fast and reliable service. The propeller itself is a real lifesaver. We had the same model before, and after hitting a rock that damaged two blades, we were able to swap them right on the water and make it back to the marina without issue — something you simply can’t do with a regular aluminum prop. For peace of mind we decided to buy a complete new set (hub and blades) since an impact like that could cause hidden damage, but the system really proved its worth.
Fill in the required details to get notified when the product is again in stock!
Thanks, We Will Notify You When Product Back In Stock!!